配送先を選択して下さい

国/地域ページの選択は、価格、配送オプション、製品在庫など様々な要素に影響します。
連絡先
イグス株式会社

〒130-0013 東京都墨田区錦糸1-2-1

アルカセントラル15階

03(5819)2030
03(5819)2055
JP(JA)

SHT-12-ZB-AWM-10x12

ゼロバックラッシ-台形ねじナット付きリニアスライドテーブル

既存のSHTリニアスライドテーブルに、新しく「ゼロバックラッシ台形ねじナット」が登場。くり返し精度が求められる動作や多条ねじ10x12や10x50を使用した動作において、製品の全耐用年数を通して、バックラッシを最小に保ちます。

無潤滑・保守不要

荷重に関わらず高精度

自動調整

静音

錆びない


用途 :研究設備、医療機器、機械一般

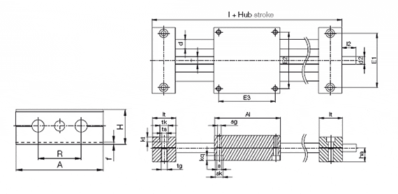
寸法 [mm]

製品番号 ストローク長さ スチールシャフト
重量 追加
最大許容静荷重 A Al H E1 E2 E3    
    [kg] (100mm当り)[kg] アキシアル[N] ラジアル[N] -0,3 -0,3   +0,15 +0,15 +0,15    
納期はお問合せ SHT-08-ZB-AWM-6.35X12.7 (1) 300 0 100 400 65 65 23 52 55 55 お問合せ カートに入れる
19営業日で出荷 (※ドイツ在庫有りの場合) SHT-08-ZB-AWM-6X2P1 (1) 300 0 100 400 65 65 23 52 55 55 お問合せ カートに入れる
納期はお問合せ SHT-12-ZB-10X12 (1) 500 0.8 0.2 150 600 85 34 70 73 73 お問合せ カートに入れる
その他、ご希望の製品に関して:
3D-CAD 3D-CAD
サンプル請求 サンプル請求
PDF PDF
見積依頼 見積依頼
マイカタログ マイカタログ

(1) 軸端が貫通

製品番号 I R f lt tk
±0,1
ts tg kt
±0,1
s sk sg kq d T l2 d2 ha
納期はお問合せ SHT-08-ZB-AWM-6.35X12.7 (1) 96 32 1.5 15.5 10 5.5 M6 7 4.2 8 M5 4.6 8 6.35x12.7 17 6,35 13
19営業日で出荷 (※ドイツ在庫有りの場合) SHT-08-ZB-AWM-6X2P1 (1) 96 32 1.5 15.5 10 5.5 M6 7 4.2 8 M5 4.6 8 TR6x2 17 TR6x2 13
納期はお問合せ SHT-12-ZB-10X12 (1) 2 11 6.6 M8 6.4 6.3 10 M6 6 12 10x12 17 10x12
その他、ご希望の製品に関して:
3D-CAD 3D-CAD
サンプル請求 サンプル請求
PDF PDF
見積依頼 見積依頼
マイカタログ マイカタログ

(1) 軸端が貫通


19営業日で出荷 (※ドイツ在庫有りの場合)
納期はお問合せ

以下の用語 "Apiro", "AutoChain", "CFRIP", "chainflex", "chainge", "chains for cranes", "ConProtect", "cradle-chain", "CTD", "drygear", "drylin", "dryspin", "dry-tech", "dryway", "easy chain", "e-chain", "e-chain systems", "e-ketten", "e-kettensysteme", "e-loop", "energy chain", "energy chain systems", "enjoyneering", "e-skin", "e-spool", "fixflex", "flizz", "i.Cee", "ibow", "igear", "iglidur", "igubal", "igumid", "igus", "igus improves what moves", "igus:bike", "igusGO", "igutex", "iguverse", "iguversum", "kineKIT", "kopla", "manus", "motion plastics", "motion polymers", "motionary", "plastics for longer life", "print2mold", "Rawbot", "RBTX", "readycable", "readychain", "ReBeL", "ReCyycle", "reguse", "robolink", "Rohbot", "savfe", "speedigus", "superwise", "take the dryway", "tribofilament", "tribotape", "triflex", "twisterchain", "when it moves, igus improves", "xirodur", "xiros" and "yes" は、イグスの商標でありドイツ連邦共和国及び他国において、法的に保護されています。しかしながら、ここにあげた商標はあくまで例示列挙したものであって、イグス、およびドイツ、ヨーロッパ連合、アメリカ合衆国、その他の国で事業を展開するイグスの子会社が有する商標を包括的に列挙したものではありません(例えば、出願中の商標や登録商標など)。

igus SE & Co. KGは、Allen Bradley、B&R、Baumüller、Beckhoff、Lahr、Control Techniques、Danaher Motion、ELAU、FAGOR、FANUC、Festo、Heidenhain、Jetter、Lenze、LinMot、LTi DRiVES、Mitsubishi、NUM、Parker、Bosch Rexroth、SEW、Siemens、Stöber各社、およびこのウェブサイト内で言及される他のすべてのモータケーブルメーカーのいかなる製品も販売していません。The products offered by igus® are those of igus® SE & Co. KG