配送先を選択して下さい

国/地域ページの選択は、価格、配送オプション、製品在庫など様々な要素に影響します。
連絡先
イグス株式会社

〒130-0013 東京都墨田区錦糸1-2-1

アルカセントラル15階

03(5819)2030
03(5819)2055
JP(JA)

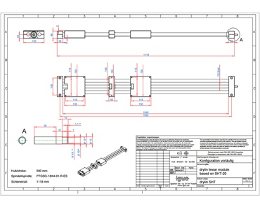
ドライリンSHTスライドテーブル構成ツール

ご希望のリニアアクチュエータを自由に構成。組立済みでお届け!

時間を節約してコスト削減。 わずか数クリックで、ご希望のスライドテーブルSHTと送りねじを簡単に組み合わせられます。 取付寸法、材質、送りねじピッチ、複数キャリッジ、右ねじ/左ねじ/左右ねじ、軸端加工、全て可能。 リニアユニットが使用環境に適合するかどうかも簡単に確認でき、3D CADモデルや2D PDFの寸法図もご提供。 モータ駆動、手動駆動、どちらも大丈夫。 モータの場合、正しいモータとアクセサリを選択するだけです。 モータやリニアアクチュエータのコントローラもご提供しています。 適切なdryveモータコントロールシステムを選んでください。 構成した製品からお見積り依頼ができます。 お気軽にお問合せ下さい。
SHTコンフィギュレータへ
送りねじ付きドライリンSHT スライドテーブルを構成する

わずかなステップで送りねじ付きリニアアクチュエータを構成

ドライリンSHT コンフィギュレータ
  • 4つの取付サイズ
  • 台形ねじ又はドライスピン 多条ねじ
  • キャリッジ1個、又は複数キャリッジ
  • 食品機械や医薬品機器向けにFDA準拠の構成も可能
  • NEW: NEMAステッピングモータ、EC/DC 直流モータ、dryveモータコントローラ、近接スイッチ、接続ケーブル  

ドライリンSHTスライドテーブル構成ツール 1. パラメータを入力する
ドライリンSHTスライドテーブル構成ツール 2. システムを構成する
ドライリンSHTスライドテーブル構成ツール 3. 駆動ピンまたはアクセサリーを構成する
ドライリンSHTスライドテーブル構成ツール 4. 要約を確認する
ドライリンSHTスライドテーブル構成ツール 5. インタラクティブな3D CADモデルの表示
ドライリンSHTスライドテーブル構成ツール 6. 寸法図をPDF形式でダウンロード

イグスで技術向上 技術向上
  • SHTスライドテーブル用オンラインコンフィギュレータ
  • 単体または複数のキャリッジの構成が可能
  • 多条ねじのドライスピンまたはセルフロック付き台形ねじを選択可能
  • 構成は即取り付け可能
イグスでコスト削減

コスト削減

    • オンラインで簡単に構成
    • 全パーツの最適な組合せ
    • すぐに取付可能なシステムにより設計時間を短縮(リニアモジュール/モータ/dryveモータ制御システム)
    • 2次元寸法図、3次元CADモデルを含む
    イグスは高性能 高性能
    • オンラインで寿命予測可能
    • すべての構成モデルが明確で検証済み
    • 2次元寸法図、3次元CADモデルを含む
    イグスはサステナブル サステナビリティ
    • イグスはプラスチックの循環型経済を支援し、ケミカルリサイクルに投資しています。このトピックの詳細については、こちらのサイトをご覧ください。 Plastic2Oil



    以下の用語 "Apiro", "AutoChain", "CFRIP", "chainflex", "chainge", "chains for cranes", "ConProtect", "cradle-chain", "CTD", "drygear", "drylin", "dryspin", "dry-tech", "dryway", "easy chain", "e-chain", "e-chain systems", "e-ketten", "e-kettensysteme", "e-loop", "energy chain", "energy chain systems", "enjoyneering", "e-skin", "e-spool", "fixflex", "flizz", "i.Cee", "ibow", "igear", "iglidur", "igubal", "igumid", "igus", "igus improves what moves", "igus:bike", "igusGO", "igutex", "iguverse", "iguversum", "kineKIT", "kopla", "manus", "motion plastics", "motion polymers", "motionary", "plastics for longer life", "print2mold", "Rawbot", "RBTX", "readycable", "readychain", "ReBeL", "ReCyycle", "reguse", "robolink", "Rohbot", "savfe", "speedigus", "superwise", "take the dryway", "tribofilament", "tribotape", "triflex", "twisterchain", "when it moves, igus improves", "xirodur", "xiros" and "yes" は、イグスの商標でありドイツ連邦共和国及び他国において、法的に保護されています。しかしながら、ここにあげた商標はあくまで例示列挙したものであって、イグス、およびドイツ、ヨーロッパ連合、アメリカ合衆国、その他の国で事業を展開するイグスの子会社が有する商標を包括的に列挙したものではありません(例えば、出願中の商標や登録商標など)。

    igus SE & Co. KGは、Allen Bradley、B&R、Baumüller、Beckhoff、Lahr、Control Techniques、Danaher Motion、ELAU、FAGOR、FANUC、Festo、Heidenhain、Jetter、Lenze、LinMot、LTi DRiVES、Mitsubishi、NUM、Parker、Bosch Rexroth、SEW、Siemens、Stöber各社、およびこのウェブサイト内で言及される他のすべてのモータケーブルメーカーのいかなる製品も販売していません。The products offered by igus® are those of igus® SE & Co. KG