シャフトおよびスピンドル:ステンレス鋼、ベアリング:イグリデュール® X
キャリッジとクロスバーは陽極酸化アルミニウム製
無潤滑
SHT(標準)、SHTC(フレキシブル)、SHT-XY(クロステーブル)があります。
産業工業炉、実験室、歯科、医療炉
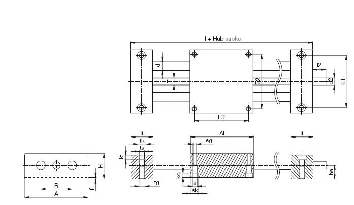
この製品シリーズに関する技術データをすべて掲載した無料カタログからの抜粋
個別オファーにご興味がおありですか? メッセージをどうぞ!
個々のリニアモジュールをミリ単位で設定できます。登録なし。
1
dry-tech® ドライリン®担当 プロダクトマネージャー
電話およびチャットでの対応時間:月曜~金曜:8:45~19:00